广东瑞斯特电气有限公司
广东瑞斯特电气有限公司
产品
低电阻分流器
  • 低电阻分流器低电阻分流器
  • 低电阻分流器低电阻分流器
  • 低电阻分流器低电阻分流器
  • 低电阻分流器低电阻分流器
  • 低电阻分流器低电阻分流器
  • 低电阻分流器低电阻分流器

低电阻分流器

RST Electric 推出低电阻分流器 - 一种精密大电流电流传感解决方案,专为要求苛刻的汽车、工业和可再生能源应用而设计。该分流器采用真空电子束焊接技术和纯铜电极,具有卓越的稳定性、高脉冲承受能力和 0.1mΩ 至 0.667mΩ 的超低电阻值。其额定功率高达 15W,容差低至 ±0.5%,非常适合电池管理系统 (BMS)、电机驱动、逆变器和高频电源转换。全金属结构具有酸洗和钝化表面,具有卓越的耐腐蚀性和耐候性,而超低电感 (<5nH) 和最小的热电动势可确保快速开关电路中的精确测量。这款高精度分流器完全符合 RoHS 和 Reach 标准,有多种外形尺寸可供选择,并支持定制规格。 

RST Electric深耕低阻分流器领域10余年。我们专门针对汽车、工业、可再生能源等需要极高检测精度和稳定性的场景开发了低电阻分流器。我们解决了传统分流器在处理大电流场景时精度不够、稳定性差、易受环境因素影响的问题。我们的产品广泛兼容电池管理系统 (BMS)、电机驱动器、逆变器和高频电源转换设备。是全球众多汽车一级供应商和储能企业首选的核心部件。


产品特点


我们始终关注买家的核心需求。低电阻分流器采用全金属结构和先进的真空电子束焊接技术,能够在超低电阻下精确检测大电流。它还具有优异的耐腐蚀和抗振动性能,非常适合汽车发动机舱和户外工业设备等恶劣的工作环境。完全符合RoHS、REACH环保标准,无需担心合规风险。


核心流程


我们采用真空电子束焊接技术,这是我们区别于普通制造商的核心优势之一。与传统的钎焊工艺不同,通过真空电子束焊接,我们将高精度合金电阻元件与纯铜电极无缝融合成单一的集成结构。这从源头上消除了接触电阻的影响,保证了产品在长期运行过程中的稳定性和机械完整性。

整个焊接过程在真空环境下完成,有效避免了焊接过程中的氧化、杂质污染等问题。焊接接头强度高、导电性好,能承受剧烈振动和温度循环。完全兼容车辆行驶、工业设备运行等复杂工况。

我们拥有完整的独立生产体系,从合金选择、真空电子束焊接、到表面钝化处理和成品检验。整个流程我们独立控制,每一步都严格控制,确保每一个低电阻分流器的焊接质量一致,杜绝因工艺缺陷造成的检测偏差。


技术规格


范围

规格

系列

流感

电阻范围

0.1mΩ – 0.667mΩ

额定功率

最大限度。 15W

宽容

±0.5% (D)、±1% (F)、±5% (J)

温度系数(TCR)

分钟。 25 ppm/°C(典型值)

电感

< 5nH(超低)

热电动势

极低(全金属结构)

工作温度范围

-55°C 至 +170°C

建造

真空电子束焊接合金+纯铜电极

表面处理

酸洗钝化(防硫、防腐蚀)

安装

通孔/母线连接

终止

镀锡铜端子(I1、I2 电流输入;U1、U2 电压检测)

测量方法

4 线开尔文连接

遵守

RoHS 2.0,达到

应用领域

电池管理、电机驱动、逆变器、高频功率转换

 

电气和可靠性性能


测试项目

性能要求

测试方法

温度系数(TCR)

在规定的公差范围内

IEC 60115-1 4.8,在 20°C 和 +130°C 条件下测量,参考 +25°C

短时过载

无可见损伤,ΔR≤±1%

5×额定功率5秒

湿热(稳态)

无可见损伤,ΔR≤±1%

MIL-STD-202 方法 103,85°C / 85% RH,10% 额定功率,1000 小时

高温储存

无可见损伤,ΔR≤±1%

IEC 60115-1 4.25.3,1000 小时 @ 170°C,空载

低温负荷

无可见损伤,ΔR≤±0.5%

IEC 60115-1 4.36,冷却至-55°C(空载1.5小时),施加额定功率45分钟,冷却15分钟

温度循环

无可见损伤,ΔR≤±1%

IEC 60115-1 4.19,-55°C(30 分钟)↔ +155°C(30 分钟),1000 次循环

负载寿命

无可见损伤,ΔR≤±1%

IEC 60115-1 4.25.1,70°C,额定电流,1.5 小时开启/0.5 小时关闭,1000 小时


核心性能优势


(1)超低电阻、高精度

我们的低电阻分流器的电阻范围覆盖0.1mΩ至0.667mΩ,能够精确检测75A至300A的大电流。相应的满量程压降为 30mV 至 75mV。它可以直接与模数转换器和运算放大器连接,无需额外的适配器组件。这大大降低了采购商的设备集成成本。此外,我们还提供三种标准公差:±0.5%、±1% 和 ±5%。 ±0.5%高精度版本可以满足电池状态估计(SoC)等检测精度要求极高的场景,最小可定制容差低至±0.25%。充分适应不同的采购需求。

(2)温度系数低,温度适应性广

分流装置的核心部件采用高精度合金材料制成,温度系数低至25ppm/℃。这保证了在-55℃至+170℃的宽工作温度范围内,电阻漂移极小,检测精度始终保持稳定。在实际生产测试中,我们发现,即使在汽车发动机舱内高温、室外低温等极端环境下,该分流装置仍能保持优异的检测性能,不会因温度变化而出现数据偏差。彻底解决传统分流器温度漂移过大的行业痛点,适用于各种复杂的温度变化场景。

(3)全金属钝化处理

我们设计的分流装置采用全金属结构,并采用酸洗和钝化表面处理工艺。经此处理后,分流装置具有极强的抗硫化、抗腐蚀、抗老化能力,能有效抵御室外湿度、工业腐蚀性气体、汽车尾气等环境影响。这显着延长了产品的使用寿命。无论是室外可再生能源设备,还是汽车发动机舱内的恶劣环境,该分流装置都能稳定运行,减少后期更换和维护成本,帮助购买者降低整体使用成本。

(4)超低电感和低热电动势

针对高频功率转换、快速瞬态检测等场景,我们优化了分流电阻的结构,确保其寄生电感低于5nH,接近于零。这种设计有效地保留了高频电路中的信号完整性,并避免了传统分流器中因电感过高而导致的测量误差。此外,纯铜电极和均质材料结构的结合最大限度地降低了热电势,进一步提高了检测精度。这种设计特别适合对信号完整性要求极高的应用,例如高频开关电路和电机驱动。

(5) 四线开尔文连接

我们在分流器上集成了四线开尔文连接端子,通过独立的电压检测端子,有效消除引线电阻带来的检测误差,实现真正的高精度电流检测。该设计不需要客户额外的误差补偿元件,简化了设备集成流程,同时保证了分流器在长期运行过程中检测精度的稳定性。特别适合工业控制、电池管理等对检测错误有严格要求的场景。

(6)AEC-Q200可靠性认证

每一款低阻分流器均经过严格的AEC-Q200可靠性测试,包括温度循环、高温存储、负载寿命、湿热测试等多重严格检验,确保产品符合汽车级性能标准,可直接应用于汽车电子相关设备。我们坚持对每件产品进行100%电气测试,重点验证电阻、容差等核心参数,同时对批量产品进行抽样可靠性测试,杜绝不合格产品的放行,为采购商提供稳定可靠的产品保障。


产品应用


行业

具体应用

描述

汽车电子

电池管理系统 (BMS)

高精度电流感应,用于 EV、HEV 和 48V 系统中的充电状态 (SoC) 和健康状态 (SoH) 估计。

电动车充电器

交流和直流快速充电器的车载和非车载充电电流监控。

直流-直流转换器

12V/48V 辅助电源转换系统中的相电流检测。

工业电源

电机驱动器和逆变器

VFD、伺服驱动器和工业逆变器中的高电流相位感测。

高频开关转换器

谐振转换器和 PFC 级中的低电感电流感应。

可再生能源

太阳能逆变器

并网和离网光伏系统中的直流链路和相电流监测。

储能系统(ESS)

电网和商业应用的固定存储中的电池电流测量。

测试与测量

高电流分流器

适用于实验室电源、电子负载和数据采集系统的精密电流测量。

校准设备

用于校准高电流仪表和传感器的参考分流器。

电信及服务器

配电单元 (PDU)

服务器机架和数据中心电源管理的电流监控。

大功率整流器

电信基站电源系统中的直流电流传感。


包装及交付


我们非常重视每个低阻分流器的运输安全。我们制定了详细的包装和发货计划,确保产品从工厂完好无损地到达购买者手中。批量包装时,我们会将每个分流器放入泡沫缓冲防静电袋中,然后均匀放入瓦楞纸板箱中。这有效地防止了运输过程中端子的损坏和部件的变形。

对于分流器的电流端子和检测端子,我们采用泡沫套或胶带进行固定,确保端子保持平直,不影响采购方后续的安装和使用。每批货物发货时,我们都会在货物上附上装箱单和检验证明,以方便采购商验收和核实。同时,我们提供完整的技术文件,满足合规审查要求。

在运输方式上,我们提供灵活的选择:小批量订单采用DHL、FedEx、UPS等国际快递服务运输,速度快,保证采购商快速收到样品或小批量货物;中批量订单采用空运,平衡时效与成本;大批量订单采用海运,大幅降低运输成本,充分适应不同采购数量。此外,我们还提供明确的存储建议。建议将分流器存放在温度25℃±5℃、相对湿度小于70%、通风良好、无腐蚀性气体的室内环境中,以延长产品闲置时的使用寿命。


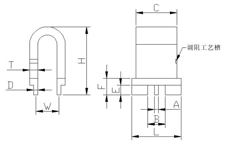
Low Resistance Shunt


图纸和尺寸


Low Resistance Shunt

Low Resistance Shunt


选择RST电气的理由


(1)源头工厂直接供货

我们是中国合法认证的低电阻分流器制造商,致力于该领域十多年。我们拥有ISO 9001认证的生产基地和专有的大电流分流器生产线。我们严格独立控制所有生产流程,中间阶段不加价。我们的厂家直供模式使买家能够以更合理的成本采购到高品质的FLU系列分流器,大幅提升采购性价比。

(二)专业团队支持

我们拥有一支经验丰富的工程团队,致力于汽车和工业领域当前检测解决方案的研发。我们可以根据买家的具体应用场景,提供定制化的产品设计和技术支持。同时,我们严格坚持100%电气测试(电阻、容差、TCR抽样验证),每件产品都经过严格的质量控制,确保性能稳定一致,满足买家的批量生产要求。

(三)全球布局

我们的产品已出口到德国、美国、日本、韩国、巴西等40多个国家。我们是全球汽车一级供应商、电池管理系统制造商和工业电源企业值得信赖的合作伙伴。我们在超低电阻、高精度大电流检测领域积累了丰富的行业经验。我们熟悉不同国家的行业标准和合规要求,可以为客户提供符合当地标准的产品和服务。

(四)完善配送及售后服务

我们提供灵活的交货期。对于标准规格,交货时间为10-15个工作日。对于定制产品,交货时间为15-25个工作日。这些周期可以根据买方的生产进度灵活调整,确保不影响买方的生产计划。同时,我们提供12个月的保修服务。保修期内,可提供远程故障诊断、备件配送服务。专业的技术团队可以协助买家完成产品集成和调试,为买家的采购和使用提供全程保障。




热门标签: 低电阻分流器,供应商,批发,定制,制造商
发送询问
联系方式
如果您对报价或合作有任何疑问,请随时发送电子邮件或使用以下查询表格。我们的销售代表将在 24 小时内与您联系。
X
我们使用 cookie 为您提供更好的浏览体验、分析网站流量和个性化内容。使用本网站即表示您同意我们使用 cookie。 隐私政策
拒绝 接受