广东瑞斯特电气有限公司
广东瑞斯特电气有限公司
产品
TO220 厚膜功率电阻
  • TO220 厚膜功率电阻TO220 厚膜功率电阻
  • TO220 厚膜功率电阻TO220 厚膜功率电阻
  • TO220 厚膜功率电阻TO220 厚膜功率电阻
  • TO220 厚膜功率电阻TO220 厚膜功率电阻
  • TO220 厚膜功率电阻TO220 厚膜功率电阻

TO220 厚膜功率电阻

RST Electric 推出 TO220 厚膜功率电阻器 - 一种紧凑的高性能电阻器,专为需要高效热管理和易于组装的电力电子设备而设计。该 TO220 功率电阻器采用标准 TO220 塑料封装,带有金属安装片,正确安装散热器后,在 25°C 外壳温度下可提供 35W (PRT35) 或 50W (PRT50) 功率。它具有 0.1Ω 至 1MΩ 的宽电阻范围和严格至 ±0.5% 的容差,非常适合开关电源、缓冲电路、功率放大器和电压调节应用。模压塑料外壳提供高绝缘电阻(>10GΩ)并可承受1800VAC介电强度,而无感厚膜结构可确保高频电路中的稳定性能。

RST Electric 的 TO220 厚膜功率电阻器弥补了传统通孔功率电阻器和先进表面贴装器件之间的差距,在熟悉的 TO220 封装中提供可散热器安装组件的热性能。该散热器安装电阻器专为电路板空间宝贵但功耗要求超出 SMD 组件所能处理的应用而设计。 TO220 封装允许通过单螺钉直接安装到底盘或散热器上,利用热界面材料有效地将热量从电阻元件转移出去。


内部结构


该功率厚膜电阻器的内部结构由沉积在氧化铝基板上的高稳定性电阻层组成,然后将其引线键合到引线框架并封装在模制塑料封装中。这种结构提供了优异的绝缘性能,可承受高达 1800VAC 的电压并保持绝缘电阻大于 10GΩ。厚膜技术的无感特性确保了最小的寄生电感,使 PRT 系列适用于高频开关电路,在这些电路中,线绕电阻器会产生不可接受的相移。


额定功率


PRT 系列有两种额定功率:

● PRT35 – 25°C 外壳温度下为 35W(无散热器时为 2.5W)

● PRT50 – 25°C 外壳温度下为 50W(无散热器时为 3W)

电阻值范围为 0.1Ω 至 1MΩ,TCR 选项范围为 ±50 ppm/°C(对于 10Ω 以上的精度值)至 ±300 ppm/°C(对于低欧姆或高电阻范围)。标准容差包括 ±0.5%、±1%、±5% 和 ±10%,适用于高精度仪器和通用电源应用。作为中国值得信赖的 To220 厚膜功率电阻制造商,RST Electric 将 10 多年的厚膜工程专业知识与精密制造相结合,提供在要求苛刻的电力电子电路中提供可靠、稳定性能的组件。


技术规格

 

范围

PRT35

PRT50

额定功率(带散热器)

35W @ 25°C 外壳温度

50W @ 25°C 外壳温度

额定功率(不含散热器)

2.5W @ 25°C 环境温度

3.0W @ 25°C 环境温度

电阻范围

0.1Ω – 1MΩ

0.1Ω – 1MΩ

宽容

±0.5%、±1%、±5%、±10%

±0.5%、±1%、±5%、±10%

TCR(按电阻范围)

见下表

见下表

最大工作电压

350V

350V

介电耐压

1800VAC

1800VAC

绝缘电阻

≥10GΩ @ 500V 直流

≥10GΩ @ 500V 直流

工作温度范围

-65°C 至 +150°C

-65°C 至 +150°C

电感

无感(厚膜)

无感(厚膜)

铅材料

镀锡铜

镀锡铜

安装

单螺钉 (M3) 至散热器

单螺钉 (M3) 至散热器

最大扭矩

0.9牛米

0.9牛米

包裹

TO220模压塑料

TO220模压塑料

遵守

RoHS、REACH

RoHS、REACH

 

按电阻范围划分的 TCR


电阻范围

TCR(ppm/°C)

0.1Ω – 1Ω

无指定(联系工厂)

>1Ω – 3Ω

±300 ppm/°C

>3Ω – 10Ω

±100 至 ±200 ppm/°C

>10Ω – 10kΩ

±50 至 ±200 ppm/°C

>10kΩ – 1MΩ

±200 至 ±300 ppm/°C

 

电气性能

 

测试项目

要求

测试方法

T.C.R.

根据不同的电阻

基于室温25°C和高温105°C下测得的电阻  

短时过载

△R±0.3%

2倍额定功率(≤1.5倍最大耐压),5秒

负载寿命

△R±1.0%

额定功率下 2000 小时

湿度

△R±0.5%

40±2℃,90~95%湿度,最大工作电压1,000小时(1.5小时开启,0.5小时关闭)

可焊性

焊接面积90%以上

265±5℃,3~5秒

热冲击测试

△R±0.3%

-65°C~150°C,100个循环

引线强度

△R±0.2%

2.4N

振动

△R±0.2%

20克峰值


● 引线材质:镀锡铜

● 最大扭矩:0.9Nm

● 功率限制取决于封装的表面温度。

● 需要测量散热板中央的温度。

● 散热膏必须正确涂抹


To220厚膜功率电阻的核心优势是什么?


1.TO220 标准封装 – 采用单螺钉安装的行业标准封装,简化了机械集成和热管理。

2.高功率密度 – 25°C 外壳温度下为 35W (PRT35) 或 50W (PRT50),可实现紧凑的功率级设计。

3.宽阻值范围——单系列从0.1Ω到1MΩ,涵盖从电流传感到高阻抗分压的应用。

4.绝缘性能好——可承受1800VAC介电强度,绝缘电阻>10GΩ,保证高压电路的安全。

5.无感结构——厚膜技术最大限度地减少寄生电感,非常适合高频开关应用。

6.精度公差——提供±0.5%、±1%、±5%和±10%,以满足高精度和通用要求。

7.低 TCR 选项 – 精度值低至 ±50 ppm/°C >10Ω,确保在温度变化时保持稳定的性能。

8.组装方便——单M3螺钉安装,最大扭矩0.9牛米;引线镀锡以实现可靠的焊接连接。

9.应用广泛——适用于开关电源、缓冲电路、功率放大器、稳压和脉冲负载。

10.坚固的结构——模制塑料外壳可保护电阻元件免受机械应力和环境污染物的影响。


产品应用


行业

具体应用

描述

开关电源

输出负载电阻

为电源输出的测试和调节提供稳定的负载。

缓冲电路

抑制 MOSFET 和 IGBT 开关网络中的电压尖峰。

功率放大器

发射极退化

稳定高功率音频和射频放大器级的偏置电流。

佐贝尔网络公司

为 D 类和 AB 类放大器输出提供负载稳定性。

脉冲电路

脉冲加载

模拟电源测试和能量放电电路中的瞬态负载。

浪涌电流限制

限制电源和电机驱动器的启动电流。

电压调节

反馈网络

在线性和开关稳压器中提供稳定的分压。

泄放电阻

断电后对滤波电容进行安全放电。

工业控制

电机驱动缓冲器

保护逆变器级免受 VFD 和伺服驱动器中电压瞬变的影响。

制动电路

耗散中小型电机制动应用中的再生能量。

汽车电子

直流-直流转换器

12V/48V 辅助电源系统中的电流检测和电压反馈。

LED 照明驱动器

汽车照明模块中的电流限制和传感。

测试与测量

电子负载

为可编程直流负载提供精确的功耗。

校准标准

用于设备校准的稳定参考电阻。


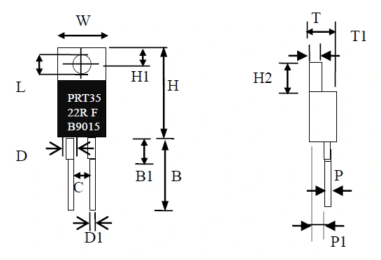
图纸和尺寸


To220 Thick Film Power Resistor

 

类型

W

H

H1

B

B1

D

D1

L

C

T

T1

氢2

P

P1

PRT35

10.16

±0.25

15.0

±0.3

2.9

±0.25

13.48

±0.78

最大限度

4

1.27

±0.1

0.78

±0.08

3.84

±0.13

5.08

±0.25

4.6

±0.2

1..3

±0.11

6.23

±0.38

0.51

±0.15

2.27

±0.25

 

To220 Thick Film Power Resistor

 

类型

W

H

B

B1

C

D

D1

T

P

P1

PRT50

10.44

±0.24

16.25

±0.25

12.70

±1.3

3.3

±0.76

5.08

±0.3

1.27

±0.3

0.76

±0.1

3.18

±0.26

0.55

±0.1

1.78

±0.26

 


包装及运输说明


我司严格把控每一个运输环节,确保To220厚膜功率电阻安全到达。

对于散装运输,采用防静电管或托盘进行包装。每个电阻独立密封在防静电袋中,并附有泡沫缓冲,有效防止引脚弯曲和元件损坏;销端固定有额外的泡沫,以避免运输过程中发生碰撞。还提供定制包装服务,允许根据采购要求调整包装规格。

每个电阻器出厂前均经过 100% 电气测试。只有通过测试的才会被包装。发货包括装箱单、检验报告等完整材料。运输方式灵活。小批量订单采用DHL或FedEx等国际快递服务,中批量订单采用空运,大批量订单采用海运,平衡效率和成本。贮存应在通风良好、干燥的环境中,远离腐蚀性物质,以免影响产品性能。


厂家直供优势


作为专业研发生产To220厚膜功率电阻的制造商,我们拥有10多年的行业经验,实现从合金选择、厚膜沉积到产品检验的全流程自控,无任何中间步骤。厂家直供模式消除了中间商收取的溢价,让买家以更优惠的价格获得优质的产品。同时,我们可以根据需求提供定制化生产,精确匹配实际使用场景的阻值、功率、引脚规格。

我们拥有完整的生产体系​​并获得ISO 9001质量认证。每件产品都经过严格测试,符合汽车和工业使用标准。我们还拥有专业的工程团队,可以提供技术支持和方案优化,帮助买家高效完成产品集成。


常问问题


1.问:包装保护效果如何?

答:我们使用防静电包装和泡沫缓冲。对于散装运输,我们使用特殊纸箱。销钉处有额外的固定装置,可以有效防止运输过程中的碰撞和损坏。同时随货提供检验报告,保证产品的完整性。


2. 问:To220厚膜功率电阻可以应用在哪些场景?

答:主要适用于电源、工业控制、汽车电子等场景。支持全维度定制,包括功率、阻值、管脚规格、端子类型等,可根据实际需求进行调整,满足不同的使用场景。


3、问:产品质量有保证吗?

答:产品经过严格测试,符合汽车级可靠性标准。它具有 12 个月的保修期。它还提供远程故障诊断和备件补充服务。产品附有完整的检测报告和资质文件,确保全程无忧购买。


4.问: 交货周期是多长?

答:我们提供厂家直供,可以灵活调整生产周期。对于标准型号,交货时间为 10-15 个工作日。对于定制型号,为 15-25 个工作日。可根据采购要求调整交货时间,并提供技术支持。



 

 

热门标签: TO220 厚膜功率电阻,制造商,供应商
发送询问
联系方式
如果您对报价或合作有任何疑问,请随时发送电子邮件或使用以下查询表格。我们的销售代表将在 24 小时内与您联系。
X
我们使用 cookie 为您提供更好的浏览体验、分析网站流量和个性化内容。使用本网站即表示您同意我们使用 cookie。 隐私政策
拒绝 接受